If you have a problem or need to report a bug please email : support@dsprobotics.com
There are 3 sections to this support area:
DOWNLOADS: access to product manuals, support files and drivers
HELP & INFORMATION: tutorials and example files for learning or finding pre-made modules for your projects
USER FORUMS: meet with other users and exchange ideas, you can also get help and assistance here
NEW REGISTRATIONS - please contact us if you wish to register on the forum
Users are reminded of the forum rules they sign up to which prohibits any activity that violates any laws including posting material covered by copyright
7seq.digi Display on Pidgets 64LED Board
15 posts
• Page 2 of 2 • 1, 2
Re: 7seq.digi Display on Pidgets 64LED Board
I can tell you it works.... and i NEVER could do that alone... im not that good.... even i have learned alot the past 6 month with Flowstone.... THANKS
I have just a little thing to it.... i want to control the brightness (LUMINANS)
can i just add another input to Ruby like and replace the (100) with "@lum"
AND - to remove your graphics... i just remove all lines with "draw" right ???
All the best
Frank
I have just a little thing to it.... i want to control the brightness (LUMINANS)
can i just add another input to Ruby like and replace the (100) with "@lum"
AND - to remove your graphics... i just remove all lines with "draw" right ???
All the best
Frank
- frank-riedel
- Posts: 40
- Joined: Sun Aug 19, 2012 10:36 am
Re: 7seq.digi Display on Pidgets 64LED Board
@support: You are talking about "PhidgetLED 64 Advanced" (1031) and I'm talking about "PhidgetLED 64" (1030). The 1030 has no software current limiting, it has 30mA hardware current limiting. So eg. for the HDSP-U101, you would drive that with twice of the max.DC current. I don't know what frequency the phidget thing uses, but when it is to low, you would kill the display instantly.
And btw: Never, ever trust software limiting!!!
The 1030 switches on both ends. It has 2 switches for anodes and 32 switches for cathodes. Don't know if it's still the same on the 1031, but I think so.
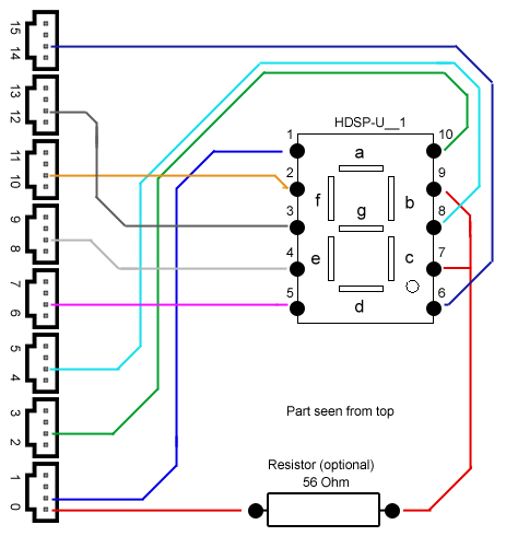
Here is a sketch for non electrician. When you want a real schematic, I need to dig out eagle again
And btw: Never, ever trust software limiting!!!
The 1030 switches on both ends. It has 2 switches for anodes and 32 switches for cathodes. Don't know if it's still the same on the 1031, but I think so.
Here is a sketch for non electrician. When you want a real schematic, I need to dig out eagle again
- Attachments
-
- seg.gif (17.17 KiB) Viewed 12210 times
-

MyCo - Posts: 718
- Joined: Tue Jul 13, 2010 12:33 pm
- Location: Germany
Re: 7seq.digi Display on Pidgets 64LED Board
Yup - i now control the LUM

- frank-riedel
- Posts: 40
- Joined: Sun Aug 19, 2012 10:36 am
Re: 7seq.digi Display on Pidgets 64LED Board
If you done it like that, then the schematic from support wouldn't work at all. I don't know what you do, but your response sounds very suspicious for me, and I'll skip anwering you.
-

MyCo - Posts: 718
- Joined: Tue Jul 13, 2010 12:33 pm
- Location: Germany
Re: 7seq.digi Display on Pidgets 64LED Board
Yes im on 64LED Advance !
And now i have removed the graphics from the code....
EVERYTHING IS WONDERFULL
Once again - thanks a lot
/Frank
And now i have removed the graphics from the code....
EVERYTHING IS WONDERFULL
Once again - thanks a lot
/Frank
- frank-riedel
- Posts: 40
- Joined: Sun Aug 19, 2012 10:36 am
15 posts
• Page 2 of 2 • 1, 2
Who is online
Users browsing this forum: No registered users and 17 guests