If you have a problem or need to report a bug please email : support@dsprobotics.com
There are 3 sections to this support area:
DOWNLOADS: access to product manuals, support files and drivers
HELP & INFORMATION: tutorials and example files for learning or finding pre-made modules for your projects
USER FORUMS: meet with other users and exchange ideas, you can also get help and assistance here
NEW REGISTRATIONS - please contact us if you wish to register on the forum
Users are reminded of the forum rules they sign up to which prohibits any activity that violates any laws including posting material covered by copyright
Digital Logic
26 posts
• Page 2 of 3 • 1, 2, 3
Re: Digital Logic
thank you BobF,
and here my 2nd schematic with 74154 (2, 4, 8 and 16 steps) - the other variant uses the 4017
(reset doesn't operate yet) I've been looking for the other step modes 3, 5, 7 etc.
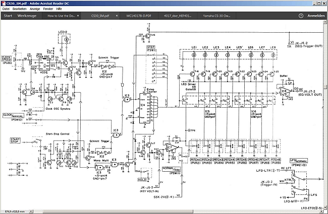
in the attachment the service-manual of the Yamaha-CS-30 and the new fsm-file
cheers
TSt
and here my 2nd schematic with 74154 (2, 4, 8 and 16 steps) - the other variant uses the 4017
(reset doesn't operate yet) I've been looking for the other step modes 3, 5, 7 etc.
in the attachment the service-manual of the Yamaha-CS-30 and the new fsm-file
cheers
TSt
- Attachments
-
- CS-30_stepseq_schematic_excerpt_1.jpg (143.14 KiB) Viewed 24811 times
-
testlab_8_16step_seq_clk_74193_74154_4017_dev_0.fsm- CS-30 step-seq schematic
- (923.36 KiB) Downloaded 1064 times
-

TSt - Posts: 10
- Joined: Tue Mar 03, 2009 11:02 am
- Location: Berlin, Germany
Re: Digital Logic
@BobF, @Roxy
after some times, I've got now a solution for an operating stepmode in this 8-step-sequencer
some help or explanation would be useful: to using the seq. you have to initialize the S and R input of the 4017
internal with 1 (H) and external his S with 1 and R with 0 (?), perhaps a better solution with gates or similar
components would be more practically (?)
I've been looking else for the "stop after one cycle" - mode in this seq.
at last: in Maxmsp I'm using the loadbang, loadmessage routines to intialize a Max-patcher, does these mean in FS only
numbers (int, float), variables, strings are useful?
thanks and happy maxing
TSt
after some times, I've got now a solution for an operating stepmode in this 8-step-sequencer
some help or explanation would be useful: to using the seq. you have to initialize the S and R input of the 4017
internal with 1 (H) and external his S with 1 and R with 0 (?), perhaps a better solution with gates or similar
components would be more practically (?)
I've been looking else for the "stop after one cycle" - mode in this seq.
at last: in Maxmsp I'm using the loadbang, loadmessage routines to intialize a Max-patcher, does these mean in FS only
numbers (int, float), variables, strings are useful?
thanks and happy maxing
TSt
- Attachments
-
8-step-seq_dev_2_TSt.fsm- (447.82 KiB) Downloaded 1094 times
-

TSt - Posts: 10
- Joined: Tue Mar 03, 2009 11:02 am
- Location: Berlin, Germany
Re: Digital Logic
TSt wrote:@BobF, @Roxy
after some times, I've got now a solution for an operating stepmode in this 8-step-sequencer
some help or explanation would be useful: to using the seq. you have to initialize the S and R input of the 4017
internal with 1 (H) and external his S with 1 and R with 0 (?), perhaps a better solution with gates or similar
components would be more practically (?)
I've been looking else for the "stop after one cycle" - mode in this seq.
at last: in Maxmsp I'm using the loadbang, loadmessage routines to intialize a Max-patcher, does these mean in FS only
numbers (int, float), variables, strings are useful?
thanks and happy maxing
TSt
Hi TSt,
Here's what's happening....
I just installed 3.0.9, I spent all of yesterday trying to keep it from crashing.
I did a complete reinstall at 3 A.M. this morning, I haven't reloaded most of my modules, etc., because 3.0.9 doesn't like many of them.
I went online to see what the CS 30 is all about.
Here's an instant hookup I built with 3.0.9 barely working.
It's a bare bones CS 30 8 step sequencer, a different approach from what you're taking, maybe this will give you some ideas.
It's the best I could do on short notice !
ROXY
- Attachments
-
ROXY's CS 30 8 step.fsm- Instant bare bones 8 step CS 30 sequencer for you !
- (81.33 KiB) Downloaded 1010 times
-

rocknrollkat - Posts: 213
- Joined: Mon Jan 04, 2016 7:04 pm
- Location: Oakland Gardens, New York City, U.S.A.
Re: Digital Logic
thank you ROXY, but this schematic can't be open with my FS ver. 3.0.8.1
could you upload a screenhot of your schematic please?
happy maxing
TSt
could you upload a screenhot of your schematic please?
happy maxing
TSt
-

TSt - Posts: 10
- Joined: Tue Mar 03, 2009 11:02 am
- Location: Berlin, Germany
Re: Digital Logic
TSt wrote:thank you ROXY, but this schematic can't be open with my FS ver. 3.0.8.1
could you upload a screenhot of your schematic please?
happy maxing
TSt
Sure thing !
I'm really annoyed that I spent 99 bucks on the latest update, spent a day getting it working, now nobody can see my hookups !
Anyway, here are the ecreenshots, the pot in Schem 1, far left is 1 to 0 , NOT 0 to 1.
ROXY
- Attachments
-
Schematics for CS-30.rar- 4 screenshots for you, I hope this helps !
- (348.64 KiB) Downloaded 1084 times
-

rocknrollkat - Posts: 213
- Joined: Mon Jan 04, 2016 7:04 pm
- Location: Oakland Gardens, New York City, U.S.A.
Re: Digital Logic
thanks ROXY, so would you say that the FS 3.0.8.1 is a bit more stable as this newer version?
in the attachment my actual status of the 8-step seq - also the "stop after one cycle" mode was now solved
- but this was a little bit tricky (finished before your interesting seq-schematic was uploaded)
the newest mode "one cycle after pressed (MIDI) key" it's not finished yet, you can use this "mode"
by switching the "one cycle after pressed key"-button to on, I've test this mode with an extern MIDI-sequence
to activate one cycle mode, switch the toggle man/clk to clk
start/stop toggle is on
one cycle/repeat should be set to off
now you can activate the one cycle mode with the "one cycle" button (unfortunately I've found only this kind of button to operating with this mode - the button must be press twice, oddly enough only this button works in the schematic)
happy maxing
TSt
in the attachment my actual status of the 8-step seq - also the "stop after one cycle" mode was now solved
- but this was a little bit tricky (finished before your interesting seq-schematic was uploaded)
the newest mode "one cycle after pressed (MIDI) key" it's not finished yet, you can use this "mode"
by switching the "one cycle after pressed key"-button to on, I've test this mode with an extern MIDI-sequence
to activate one cycle mode, switch the toggle man/clk to clk
start/stop toggle is on
one cycle/repeat should be set to off
now you can activate the one cycle mode with the "one cycle" button (unfortunately I've found only this kind of button to operating with this mode - the button must be press twice, oddly enough only this button works in the schematic)
happy maxing
TSt
- Attachments
-
8-step-seq_in progress_4_TSt.fsm- (492.25 KiB) Downloaded 1074 times
-

TSt - Posts: 10
- Joined: Tue Mar 03, 2009 11:02 am
- Location: Berlin, Germany
Re: Digital Logic
rocknrollkat wrote:I just installed 3.0.9, I spent all of yesterday trying to keep it from crashing.
The versions of 3.09 you can see available for download are early beta test releases and were not meant to be used in anger. They have many issues.
You must use the 3.08.1 version until the final 3.09 is released. Otherwise you will have many problems, and nobody else is using those 3.09 "betas" so sharing isn't possible.
Sorry for the bad news!
Cheers
Spogg
-

Spogg - Posts: 3368
- Joined: Thu Nov 20, 2014 4:24 pm
- Location: Birmingham, England
Re: Digital Logic
thank you Spogg for this information,
now here an "updated" version of the 8-step-seq
(these strange situation wit the "one cycle" button exists farther)
incoming MIDI-sequences operates well together with this seq
happy maxing
TSt
now here an "updated" version of the 8-step-seq
(these strange situation wit the "one cycle" button exists farther)
incoming MIDI-sequences operates well together with this seq
happy maxing
TSt
- Attachments
-
8-step-seq_dev_5_TSt.fsm- (558.74 KiB) Downloaded 1053 times
-

TSt - Posts: 10
- Joined: Tue Mar 03, 2009 11:02 am
- Location: Berlin, Germany
Re: Digital Logic
Spogg wrote:rocknrollkat wrote:I just installed 3.0.9, I spent all of yesterday trying to keep it from crashing.
The versions of 3.09 you can see available for download are early beta test releases and were not meant to be used in anger. They have many issues.
You must use the 3.08.1 version until the final 3.09 is released. Otherwise you will have many problems, and nobody else is using those 3.09 "betas" so sharing isn't possible.
Sorry for the bad news!
Cheers
Spogg
Hi Spogg,
When I spend 99 dollars so I can see BobF's posts and I have nothing but problems, yes, I get cranky.
I tried installing 3.0.8 and I am cheerfully told that I don't have "SSE", and I can't load anything.
I can go back to 3.0.7 but then I can't see BobF's posts.
Okay then, 3.0.7 is what it'll have to be.
I wish someone would have told me ahead of time that 3.0.9 is off limits.
Why do they release it if it doesn't work ?
And why will 3.0.8 give me a bogus error message when my system checker tells me I have SSE ?
(Rhetorical questions at this point.)
And now I have to reconstruct my CS-30 from scratch in 3.0.7.
Oh well....
ROXY
-

rocknrollkat - Posts: 213
- Joined: Mon Jan 04, 2016 7:04 pm
- Location: Oakland Gardens, New York City, U.S.A.
26 posts
• Page 2 of 3 • 1, 2, 3
Who is online
Users browsing this forum: No registered users and 14 guests