If you have a problem or need to report a bug please email : support@dsprobotics.com
There are 3 sections to this support area:
DOWNLOADS: access to product manuals, support files and drivers
HELP & INFORMATION: tutorials and example files for learning or finding pre-made modules for your projects
USER FORUMS: meet with other users and exchange ideas, you can also get help and assistance here
NEW REGISTRATIONS - please contact us if you wish to register on the forum
Users are reminded of the forum rules they sign up to which prohibits any activity that violates any laws including posting material covered by copyright
Multiple ADC inputs on 1 pin
1 post
• Page 1 of 1
Multiple ADC inputs on 1 pin
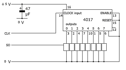
Using a 4017 Decade counter IC to shift 8 ADC readings from 8 devices on 1 adc pin & using 1 digital pin to clock the counter, all SO signal outputs are tied together as only 1 device is incremented at a time.
I used this for my attiny85 but i have simplified the schematic to use a phidget 8/8/8 board.
"Two things are infinite: the universe and human stupidity; and I'm not sure about the the universe."
Albert Einstein
Albert Einstein
-

JB_AU - Posts: 171
- Joined: Tue May 21, 2013 11:01 pm
1 post
• Page 1 of 1
Who is online
Users browsing this forum: No registered users and 30 guests